J9国际集团

ST自清洗过滤器

S系列自清洗过滤器
S系列自清洗过滤器是一种全自动自清洗水过滤器,过滤器网筒内安装一套刷子,刷子由电机带动旋转,在过滤器端盖上安装一个电动排污阀。工作时,浊水由进水口进入过滤器滤筒内,通过不锈钢楔形网过滤污物。净水由出水口流出,当污物在滤网表面聚集过多时,造成过滤出水不畅,滤筒内部腔体压力上升,当进出水的压力差值达到一定值时(预先设定),压差开关发出信号给控制器,控制器启动减速机电机带动刷子,旋转刷除滤网表面的污物杂质。同时打开电动排污阀排出污物,清洗时间为20-120秒(可就地可设置)。清洗时无需断流,排污压力损失不超过0.5bar,流量损失不超过1%。

    

    

型号说明
例  S  T  M  Y-200/10
S代表刷式清洗,T代表立式安装,M代表卧式安装,
Y代表在线安装,200进出口径,10代表公称压力。

控制系统
采用工业单片PLC自动控制,中文或英文显示。可根据压差或定时控制过滤器自动清洗,并可手动、强制清洗。现场可设定过滤时间、清洗时间。运行信号、清洗信号、故障信号输出及485通讯接口。

动刷式自动清洗过滤器
过滤器壳体:碳钢喷涂环氧树脂粉末、不锈钢、双相钢、碳钢衬塑
滤网:不锈钢、双相钢
清洗装置:不锈钢、双向钢、尼龙
排污阀:铸铁
密封圈:丁晴橡、胶硅橡胶、
控制箱: PVC

应用范围
1、冷却水处理——冷却塔、补充水系统、空调系统、直流系统水过滤,减少热交换器内沉淀物的产生,保持其冷却效果。
2、原水处理——可对地表河水、湖水、海水、水库水、井水及地下水进行过滤,除去沙子、细菌、藻类、有机物等等。
3、工业循环用水过滤——在对水质有一定要求的设备如:冷却塔、轧机、连铸机、抛光、水泵、电磁阀、离子交换器、喷雾器、热交换器等或供排水管路上使用,可过滤掉水中杂质,避免管路、喷嘴等零部件堵塞。
4、灌溉——尤其适用于高流量、杂质含量高的水源,农业灌溉、喷灌,公园、高尔夫球场、草皮浇灌等。
5、造纸工业——白水过滤。
6、塑料工业——注塑冷却循环水过滤。
7、膜预处理,树脂预处理,超滤预处理。
8、海水淡化预处理过滤,海水养殖过滤




ST自清洗过滤器
安装方式:立式安装
单台流量:15-1800m3/h,更大流量可由多个单机并联。 
公称压力:1.0MPa、1.6MPa
工作压力:0.20~1.2MPa 
最高工作温度:60℃ 
过滤精度:200-3500微米。 
控制方式:压差、时间及手动 
清洗时间:35-120秒。 
清洗机构转速:14-20rpm
清洗方式:电动刷式清洗。
清洗压损:0.01-0.08MPa 
工作电压:AC 380V,50HZ,三相四线,
控制电压:AC220V ,50HZ
液晶显示界面,人性化设计操作简便

ST技术参数

型号管径 (mm)最大流量 (m³/h)过滤面积 (cm²)排污阀 (mm)D (mm)一次清洗水量 (L)电机功率 (kW)重量 (kg)
ST-100DN100/10803800DN50/103251300.55230
ST-125DN125/101004500DN50/103251300.55250
ST-150DN150/101504500DN50/103251300.55260
ST-200DN200/103005100DN50/103251300.55280
ST-250DN250/104009100DN50/104001800.75420
ST-300DN300/1050010000DN50/105301800.75510
ST-350DN350/1080014400DN50/106202000.75650
ST-400DN400/10100017000DN80/107202500.75760
ST-500DN500/10180030000DN80/109202500.75950

表中流量精度为400um.其他技术参数请咨询本公司,

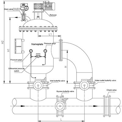
安装规格

型号ST-100ST-125ST-150ST-200ST-250ST-300ST-350ST-400ST-500
H500540550630630750750750900
H199010701090120012001360139014801525
H2112012801300142014501650175018102120
L650700650700850950105013001650
L1283283283283345415475515650

产品推荐